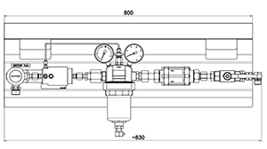
Spectrotec 压力控制面板 MU13AC
产品特性
- 乙炔专用大流量压力控制面板
- 用于连接到林德乙炔集装格的版本
- 单级式
- 高精度控制减压阀
- 压力控制面板符合 DIN-EN-ISO 14114 和 DIN-EN-ISO 15615的相关要求
- 根据DIN-EN-ISO 14114 和EIGA的规定,乙炔压力控制面板通过315bar的相关测试。
- 通过BAM测试的安全设备
- 可选配乙炔全自动安全保护器 ASG
技术参数
类型
单级式
进气压力 P₁
最大 25 bar
出气压力 P₂
最大 1,5 bar
材料
阀体: 黄铜
膜片: EPDM
阀座: PA
安装面板: 不锈钢
球阀: 钢, 镀锌
连接管: 钢, 镀锌
膜片: EPDM
阀座: PA
安装面板: 不锈钢
球阀: 钢, 镀锌
连接管: 钢, 镀锌
接口
进气: G 1"" -M
阻火器出气: G 3/4"" -M
过压保护阀出气: 焊接管 14x2
KH11/2出口: G 1 1/2"" -F
阻火器出气: G 3/4"" -M
过压保护阀出气: 焊接管 14x2
KH11/2出口: G 1 1/2"" -F
温度范围
‘-20°C 到 +60°C
泄漏率
≤ 10⁻⁴ mbar l/s He
重量
15,5 kg
下载
产品样本
HTML
Tec工业系列
